Контакты
Новости
Каталоги
 Войти
Сортировать:
Сначала новые
Сначала старые
Цена ↑
Цена ↓
Кол-во ↑
Кол-во ↓
Имя A→Я
Имя Я→A
Серийник ↑
Серийник ↓
84214564 - Фильтр топл. тонк. оч. ДВС TD5.110/JX110, H8040/WD1203
760 ₽
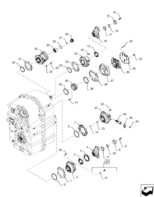
427562A1 - Шайба толщинная 0,7 мм фланца крестовины КПП TJT9./St.
3 521 ₽
238-6373 - 6373 Кольцо упл. хвостовика моста заднего Т9./St.
1 813 ₽
84315338 - Фланец вала 2го КПП TJT9./St.
81 148 ₽
86500890 - Подшипник конич. в сб. вала КПП TJ T9./St.
28 534 ₽
84137965 - Ремень прив. элев. зерн. CR с 11г.в.
25 780 ₽
86566790 - Цепь (H 1я ст. усил.) прив. выгр. шнека CX8, CR сн до 799
5 692 ₽
87554854 - Задний брызговик
42 001 ₽
84597068 - Фильтр топл. тонк. оч. ДВС Cursor10/13 T9,T9.505/St., CR, Tr., Str.
2 757 ₽
84466102 - Поршень муфты торм. моста 450сер. T9./St.
77 040 ₽
5096729 - Фильтр масл. с лого Case ДВС TD5.110/JX110
1 286 ₽
84605370 - Сальник хвостовика моста задн. T9./St.
23 086 ₽
5162623 - Кольцо стоп. шестерникорп. муфты Е,D,19й скор. КПП TMT7/MXMPm, T6090
120 ₽
504045796 - Прокладка теплообм. ДВС Cursor8K/10/13 T9,T9.505/St., CR, Str., Tr.
1 154 ₽
84476646 - Фильтркартридж гидравл. TMT7/MXMPm до 08г.в
9 005 ₽
504122542 - Блок упр. ДВС Cursor9/10/13 вся техн. CNH, Axion9
161 104 ₽
47809628 - Компрессор конд. (7H15, 8 руч. муфта) TG T8./Mg., TJT9./St.
67 507 ₽
47821526 - Фильтр ресивер осушитель конд. ТС5080, ТС5.90, CX6090, TGT8./Mg., TJT9./St.
9 191 ₽
47582431 - Вал 3й в сборе КПП T9T9./St.
775 026 ₽
47403798 - Шайба толщинная 0,1мм фланца вала вх./2го КПП TJT9./St.
1 260 ₽
47517242 - Ремень привода вентилятора выдува 2097мм CX6 сн после 952
21 137 ₽
47677096 - сальник
4 602 ₽
504070037 - Прокладка крышки клап. ДВС NEF4,5 экс.погр. CNH
2 299 ₽
427561A1 - Шайба толщинная 0,3 мм фланца крестовины КПП TJT9./St.
4 131 ₽
«
<
1
...
4
5
6
7
8
...
34117
>
»
Страница:
Перейти